Amiga Explorer (Cloanto)
Seznam kapitol
Propojení pomocí sériového kabelu
Všeobecně se jedná se o základní a nejlevnější způsob propojení počítačů různých typů, které však není moc rychlé. Nicméně, jako jediný způsob propojení umožňuje automatickou instalaci Amiga části programu Amiga Forever přímo do Amigy.
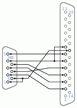
Zde budeme potřebovat standardní sériový "null-modem" kabel, který je dnes v obchodech celkem obtížné sehnat. Budeme si proto muset vlastní kabel vyrobit sami, což zase není nějak složité. Stačí k tomu jen pájka, konektory, nějaký ten kabel a "trošička" šikovnosti. Následující schéma obsahuje jednoduché schéma zapojení tří nejběžnějších null-modem kabelů.
![]() |
![]() |
| Konektory DB-25 na obou koncích | Konektor DB-9 na jedné straně a DB-25 na druhé |
![]() |
|
| Konektor DB-9 na obou koncích | |
Všechny Amigy mají konektor sériového portu typu "samec". Výjimkou jsou pouze první modely Amigy 1000, které byly vybaveny sériovými porty typu "samice".
|
POZOR: Sériový port Amigy používá některé nestandardní signály, které mohou poškodit zařízení na druhé straně. To se však nemůže stát se správně zapojeným kabelem. Je velice důležité, aby piny u různých modelů Amigy obsahující napětí (9, 10, 14, 21, 23) nebyly připojeny na žádný aktivní pin na straně PC. Taktéž by neměly být propojovány dvě rozdílná stínění (shield ground a system ground). |
Některým aplikacím které nepoužívají hardware handshaking, stačí k přenosu dat jednoduchý null-modem kabel obsahující pouze tři vodiče. U těchto kabelů je zapojen pouze GND (system ground) a propojeny piny TxD (vysílání dat) s RxD (přijímání dat). Amiga Explorer však, podobně jako mnoho jiných programů, navíc využívá i signály RTS a CTS pro hardware handshaking a DTR a DSR pro informování obou stran o tom, jestli je druhá strana připravena přijímat data. Proto budete potřebovat zcela kompletní, sedmi žílový null-modem kabel. Vyhnout byste se měli také používání kabelů delších než 20 metrů. Pro větší vzdálenosti jsou vhodnější speciální, nízko odporové kabely.
Rychlost přenosu pomocí sériového kabelu
Nyní se dostáváme k tomu nejdůležitějšímu - k přenosové rychlosti. Na nejpomalejších systémech s procesory 68000 (A500 atd..) se standardní rychlost pohybuje přibližně na hranici 19.2 kbit/sec. U standardní Amigy 1200 s procesorem 68020 se mi podařilo dosáhnout na již použitelných 57.6 kbit/sec (pamatujete na doby modemů???). Šťastní majitelé počítačů Amiga 3000 a Amiga 4000 s procesory 68030 by se měli dostat až na 115.2 kbit/sec, což však nemám na čem vyzkoušet. Samozřejmě, toto jsou výsledky při použití standardního sériového portu Amigy a zařízení serial.device. Za zmínku také stojí, že výkon sériového portu Amigy může ovlivnit také použité rozlišení obrazovky a její barevné hloubky. U Amigy 500 lze toto pozorovat již u obrazovek s více než osmi barvami. Pokud však používáte grafickou kartu, tak se podobného zpomalení nemusíte bát vůbec.
Rychlost přenosu pomocí sériového portu můžete zkusit ovlivnit nastavením vyrovnávací paměti. Zkuste spustit systémové nastavení "Serial Preferences", kde v položce "Buffer Size" nastavte hodnotu 4096 bytů. Pokud byste nastavili nižší hodnotu, mohlo by docházet k problémům při přenosech u vyšších rychlostí. Pokud jste však majitelem starší Amigy s procesorem 68000 a systémem Workbench 1.2, měl byste mít hodnotu nastavenu na 512 bytů, jinak můžete narazit na řadu problémů.
Nejčastější problémy při použití sériového kabelu:
- Špatná kvalita kabelu, případně jeho špatné zapojení.
- Nesprávně zvolený COM port na straně Windows.
- Vypnutý COM port v BIOSu PC.
- Nastavena příliš velká rychlost, nebo není nastavena na stejnou hodnotu na straně Windows a na straně Amigy (doporučuji začít se základní hodnotou 19.2 kbit/sec)
- Některé zařízení nebo program používá stejný COM port jako Amiga Explorer.
- Nedostatečná velikost vyrovnávací paměti (Buffer Size) v "Serial Preferences" (doporučuji nastavit 4096 bytů nebo více).
- Příliš velká hodnota "Packet Size" (nejbezpečnějším nastavením je 512 bytů na obou stranách), nebo je nastaven nedostatečný počet opakování "Retries" (50 a více může na velice zarušeném vedení pomoci).
Číslo COM portu a rychlost přenosu se nastavuje ve vlastnostech PC ikony programu Amiga Explorer. (možnost "Properties"). Pokud dochází k problémům, můžete zkusit vybrat jiný COM port a nebo nastavit nižší rychlost (základní nastavení je 19.2 kbit/sec).









